Gnee Steel (Tianjin) Co., Ltd. is one of the most reliable manufacturers and suppliers of tram light rails steel in gb q235 in China, also supports customized service with low price. Please feel free to buy cheap tram light rails steel in gb q235 made in China here from our factory.
GB Q235B light rail
Light Rails steel are the main components of railway tracks. They are used to guide the wheels of locomotives and tram, bear the pressure of the wheels, and transmit it to the sleepers. Light Rails provide a continuous, smooth and low-resistance rolling surface for the wheels. In tram or automatic block sections,light rails can also be used as track circuits.

Q235B has a high yield point and elastic modulus, good toughness and castability, and is easy to stamp and weld. It is mainly used for welded structural parts with high quality requirements such as buildings and trams.
| Q235B | Mechanical property | Chemical composition(%) | |||||||||
| Yield strength | Tensile strength | Elongation | Hardness | C | Si | Mn | S | P | |||
| MPa | kg/mm² | MPa | kg/mm² | min | HB | ≤ | ≤ | ≤ | |||
| ≥ | ≥ | ||||||||||
| 235 | 24 | 375-460 | 38-47 | 26% | 0.12-0.22 | 0.35 | 0.30-0.70 | 0.045 | 0.045 | ||
Track light rail Specification
| Rail Type | SIZE(mm) | theoretical weight | |||||||||
| height | bottom width | head width | waist depth | ||||||||
| Light rail | 8KG | 65 | 54 | 25 | 7 | 8.42 | |||||
| 9KG | 63.5 | 63.5 | 32.1 | 5.9 | 8.94 | ||||||
| 12KG | 69.85 | 69.85 | 38.1 | 7.54 | 12.2 | ||||||
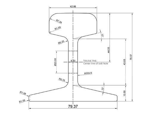
| 15KG | 79.37 | 79.37 | 42.86 | 8.33 | 15.2 | ||||||
| 18KG | 90 | 90 | 40 | 10 | 18.06 | ||||||
| 22KG | 93.66 | 93.66 | 50.8 | 10.72 | 22.3 | ||||||
| 24KG | 107 | 90 | 51 | 10.9 | 24.46 | ||||||
| 30KG | 107.95 | 109.95 | 60.33 | 12.3 |
30.1 |
||||||




GB Light rail application
Light rail is an important tram material. Compared with traditional heavy rail, it is lighter and smaller in size. It has the advantages of being light, durable and easy to maintain.
Most of the light rail materials are made of high-quality carbon steel, which is processed through rolling, forging, quenching and other processes. It has excellent strength, wear resistance and corrosion resistance. Its advantages are light weight, easy installation and maintenance, and low price.

GNEE RAIL can supply GB light rails in large quantities. 8kg/9kg/12kg/15kg/18kg/22kg/24kg/30kg rails.We can also provide product customization services according to customer requirements.Send your special customization requirements to GNEE.
GNEE RAIL was established in 2008 and has now developed into a comprehensive steel supply chain company. Adhering to the tenet of "managing with heart, customer first, collaborative development, and contributing to society", adhering to the "mutual benefit, win-win and coexistence strategy", we continue to meet the different needs of global customers.




Hot Tags: tram light rails steel in gb q235, China tram light rails steel in gb q235 manufacturers, suppliers, factory, KPO Rail Clamp, Twin Tie Plates, Russian Rail Anchor, Railway Spike, Bonded Insulated Rail Joints, Railway Fishplates





